中国矿业信息网
内蒙古矿业协会
服务热线 18748063792

您的当前位置:首页 - 矿山设备 - 机电设备

排气阀厂家,复合式快速排气阀,污水排气阀,双口复合式排气阀

所在地区:沈阳博耐斯阀门制造有限公司
供货地区:全国
产品规格(技术参数):
价格要求:685
发布时间:2023-07-28
有效日期:1970-01-01

沈阳博耐斯阀门制造有限公司

联系人:吴先生
电话:024-62657366
手机:13940101300
邮件:bnsfm@163.com
地址:
产品详细说明
博耐斯FGP4X复合式高速排气阀可防止浮球在高速气流中被吹起而堵塞排气口,造成排气阀失效。 为防止阀口被吹堵,传统式高速进排气阀在入口设置护筒,使阀门在结构上变得复杂。

产品特点

1、充水时高速排气,不怕吹堵。
2、放水时高速吸气。
4、正常压力下微量排气。
微信:sy1668

工作原理

博耐斯FGP4X复合式高速排气阀是利用伯努利理论制造的一种能够在气流下保持全开,当实心水柱上升时,浮球能够马上被浮起并严密封闭排气口的浮球式排气阀。该阀采用特定的浮球直径,使得它产生的气流动力能维持浮球在气流经过时开启(悬浮),实心水柱上升时产生的浮力又能使其浮起,配之入口处以一个合适角度的圆锥体,可做到不管气压多大、气流速度多高,排气口也不会被吹堵。

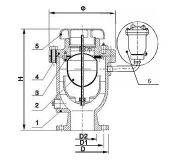
外形结构图

 

主要外形尺寸

通径 长度A 宽度B/L 高度H 外径D 螺栓孔径 法兰厚度 螺栓孔
DN50 250 130 260 165 125 19 4-19
DN80 315 170 340 200 160 19 8-19
DN100 413   334 220 180 19 8-19
DN150 580   520 285 240 19 8-23
DN200 668   640 340 295 22 8-23
DN250 770   780 395 350 22 12-23
DN300 850   920 445 400 24.5 12-23

安装要求

1、于安装前,请先检查并清除主体内的杂物。
2、在阀前装一只闸阀,以便下次的安装维修。阀如果安装于荫井内,应有足够空间以便容纳技术人员调整及维护工作。
3、若排气阀安装于室外,请注意阀门的保温,以防阀门内水结冰或冻裂阀门。
4、若排气阀所在管线送断水频繁,建议在排气阀前加装一个缓冲阀。
5、复合式高速排气阀常见的安装地点有以下几个位置:局部顶点、下降坡度变大点、上升坡度变小点、长距离无折点上升或下降管段。

安装位置的选择

排气阀的安装位置直接影响着排气效果和管道的运行状态。设计人员在设计时,往往局限于局部顶点,排气阀的安装位置有多种,只有对整个管道综合考虑,才能使排气效果好。常见的安装地点有以下几个位置:局部顶点、下降坡度变大点、上升坡度变小点、长距离无折点上升或下降管段。

安装总图

排气阀厂家,复合式快速排气阀,污水排气阀,双口复合式排气阀,单口排气阀,不锈钢排气阀,防止产生水锤的阀门024-62657366
微信:sy1668